新聞中心
電鍍故障起源的3種方法
m.gdqzj.cn 化學鍍鎳--合航集團 2013-08-30 17:29
電鍍廠資訊:電鍍過程通常由鍍前處理、電鍍和鍍后處理組成。其中的電鍍,有時包括鍍銅→鍍鎳→鍍鉻或預鍍銅(或鎳)→鍍銅→鍍鎳→鍍鉻等多道工序。在多工序的工藝流程中,電鍍出了故障,首先要確定故障起源于哪一工序,確定故障的起源,通??蛇M行跳越試驗、對比試驗和改變零件裝掛位置試驗。
1.跳越試驗
所謂跳越試驗,就是跳越電鍍過程中某一可能產生故障的工序后進行電鍍試驗的方法。例如有電鍍流程:前處理→預鍍鎳→光亮硫酸鹽鍍銅→光亮鍍鎳……,最終鍍鎳出現發花現象。
鍍鎳發花的起源,可能在光亮鍍鎳液中,也可能在光亮硫酸鹽鍍銅液中,還可能在預鍍鎳或前處理過程中。為了弄清故障的起源,先跳過光亮硫酸鹽鍍銅,把電鍍流程改為:前處理→預鍍鎳→光亮鍍鎳……。假設跳過光亮硫酸鹽鍍銅后,鍍鎳發花現象消失,表明故障起源于光亮硫酸鹽鍍銅工序(即起源于跳越掉的工序)。同理,可以在前處理以后,直接鍍光亮鎳,同時跳越掉預鍍鎳和光亮硫酸鹽鍍銅,觀察故障是否與預鍍鎳有關。
2.對比試驗
對比試驗就是用良好(沒有故障)的溶液與可能有故障的溶液進行對比試驗的方法。例如上述鍍鎳發花之故障,可以在前處理→預鍍鎳→光亮硫酸鹽鍍銅后,改用良好的光亮鍍鎳液與原來的光亮鍍鎳液進行對比。若改用良好的光亮鍍鎳液后,鍍鎳發花現象不再出現,則故障起源于原來的光亮鍍鎳液;若改為良好的光亮鍍鎳液后,故障依然存在,則故障與光亮鍍鎳以前的工序有關。然后可以再用其他性能良好的溶液進行對比試驗。例如用良好的前處理(即用瓦灰或去污粉手工擦刷徹底除油,經純凈水清洗后,再用1?1化學純的鹽酸除銹,再經純凈水清洗)與原來前處理操作進行對比等。逐一對比,反復試驗,就可以找出故障的起源。例如上述故障,可以把鍍件經良好處理以后,跳越掉預鍍鎳和光亮硫酸鹽鍍銅,直接進入原光亮鍍鎳液中電鍍。若這樣所得的光亮鎳層不出現發花現象,表明故障起源于光亮鍍鎳以前,原來的光亮鍍鎳液沒有問題。
在對比試驗時,需要有一種良好的溶液。怎樣獲得這種良好的溶液呢?倘若一個廠里有幾條相同的電鍍流水線,其中一條有故障,其他沒有故障,那么沒有故障流水線上的鍍液就可以作為良好的溶液,或者用鄰近工廠中沒有故障的相同鍍液作為良好溶液。當以上條件都不具備時,可以選用質量良好的原料,配制一定量溶液進行對比試驗。
3.改變零件裝掛位置試驗
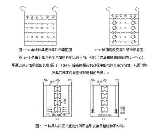
有些電鍍故障,經常出現在零件的固定部位或掛具某些部位的零件上。出現這種現象時,可以用改變零件的裝掛位置或裝掛方向,來觀察故障現象是否隨裝掛位置(或方向)的改變而改變,如圖1-5所示某塑料鍍鉻零件裝掛。在鍍鉻時經常在掛具左邊或右邊最外面一排零件出現棕褐色鉻層。出現故障后,一直認為這種故障是鍍鉻過程中產生的,所以就一直采取處理鍍鉻溶液的方法,但半年多都沒有排除故障,后來用改變零件裝掛位置進行試驗,發現故障起源于鍍鉻以前。故障現象出現在第1排或第6排零件上(偶爾也不出現這種故障),通過改變零件裝掛位置尋找故障的起源,將鍍好光亮鎳后的第1排與第2排的零件交換位置;第6排與第5排的零件交換位置(圖1-6)。改變裝掛位置以后進行鍍鉻,故障現象不是出現在最外面一排,而是出現在第2排或第5排的零件上。說明故障起源于鍍鉻以前,與鍍鉻液無關。經過多種方法試驗,最后找出來是光亮鎳鍍好以后出槽時,一個掛具零件還在電鍍,這一掛具出槽時,靠近電鍍掛具的出槽零件表面產生了雙性電極而造成的??梢娺@一起故障,若不用改變零件裝掛位置進行試驗,故障的起因就很難找到。

圖
某廠自行車車圈電鍍工藝流程為:上掛具→化學除油→熱水洗→冷水洗→陽極電解除油→熱水洗→冷水洗→鹽酸除銹→冷水洗→冷水洗→浸氰→氰化物鍍銅……。在氰化鍍銅后,自行車車圈下部向上的面出現許多細粒狀粗糙鍍層,在進行光亮鍍鎳和鍍鉻以后,故障現象更加明顯。這種故障時有時無根據故障出現在固定的部位,采用改變零件裝掛位置的方法進行試驗發現,故障有可能出現在氰化鍍銅層和氰化鍍銅前。將鍍前各道工序后的車圈分別旋轉900進行試驗。觀察在哪一道工序旋轉900后,故障現象不是出現在下部,而是出現在旋轉900的表面上,從而確定故障的起源。將每一道工序車圈旋轉900后都編上號。如:①化學除油→②熱水洗→③冷水洗→④陽極電解除油→⑤熱水洗→⑥冷水洗→⑦鹽酸除銹→⑧冷水洗→⑨冷水洗→⑩浸氰→⑩氰化物鍍銅……。各道工序旋轉車圈是分別進行的,試驗結果發現①~⑧號工序車圈旋轉900后,故障仍在車圈下部向上的面。只有⑨和⑩號工序車圈旋轉900后,故障不是出現在車圈下部,而是出現在下部旋轉900的表面上??梢姡收掀鹪从邴}酸除銹后的第二道冷水洗(工序⑨)中。因為經過工序⑨后,故障已經形成,所以再經浸氰(512序⑩)后,車圈旋轉900,故障現象也出現在旋轉900的表面上。
故障起源于鹽酸除銹的第二道冷水洗,是因為在第一道冷水洗和第二道冷水洗溶液中有較多的Fe2+,這是由于鋼鐵車圈在鹽酸除銹時發生的化學反應:Fe+2HCl=Fe2++2C1-+H2↑,由于車圈有卷邊,卷邊上有出水孔。經過鹽酸除銹后,車圈的卷邊內夾帶了一定量的Fe2+,在水清洗時,Fe2+通過卷邊上的出水孔流出,使清洗水中含有一定量的Fe2+。由于第一道冷水洗的pH值較低(pH值在2~3),Fe2+以離子形式存在,不會造成故障。但是,車圈進入第二道冷水洗時,由于pH值較高(pH值在5~6),Fe2+會形成Fe(OH)2沉淀于車圈的下部向上的面上,在氰化鍍銅時就會出現細粒狀粗糙鍍層的故障。
找到故障原因后,排除故障就容易了。排除這類故障,一種方法是在第二道冷水洗中,用一臺過濾機連續過濾,將Fe(OH)2沉淀物過濾掉,但這樣要增加過濾設備。另一種方法是在浸氰時,車圈接通電源的陽極,進行陽極電解。由于陽極電解時,車圈表面析出大量氧氣,它將沉積于車圈表面上的Fe(OH)2沖掉;同時Fe(OH)2又被浸氰液中氰化物配合,形成穩定的鐵氰化物。所以故障很快就排除了。
深圳市合航五金電子有限公司m.gdqzj.cn位于深圳市寶安區沙井,是廣東地區最專業的陽極工廠之一。專業從事金屬表面處理,主要包括化學鍍鎳,陽極氧化,硬質陽極氧化等。工廠擁有完善的配套(拋光、噴砂、打磨),也擁有完善的化學實驗室與檢測室,擁有德國FicsherX光測厚儀、ROSH檢測分析儀、鹽霧試驗機等。能做到快速的交期,產品質量穩定有保證。,沙井氧化廠,化學鍍鎳,陽極氧化,硬質陽極氧化,二次陽極氧化,二次氧化,二次陽極,鋅鎳合金,鋁氧化等加工服務。

